ExcludingTax
IT
Cerca
image/jpeg

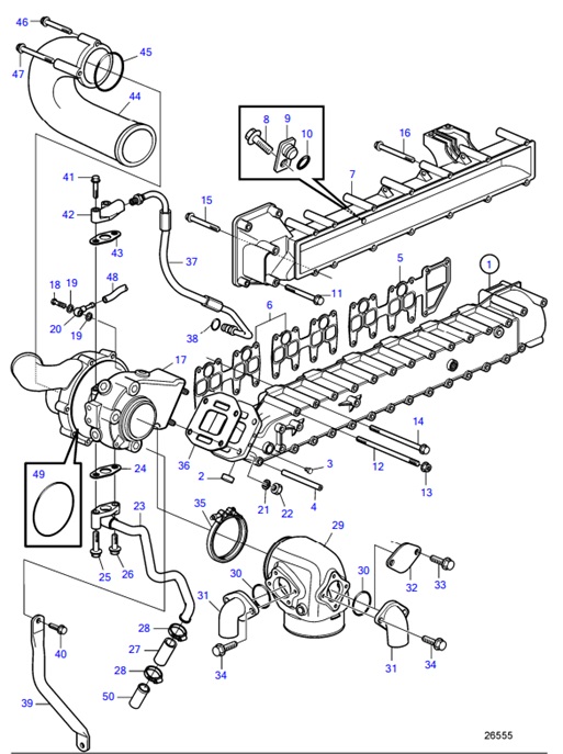
D6-330A-F 54162230 Turbo, Induction and Exhaust Manifold D6-330A-F, D6-370A-F

Cerca

Impostazioni di ricerca

Mostra prodotti associati



Disponibile
Ordinabile

ARTICOLO

PREZZO

QT.A

1

COLLETTORE DI SCARICO

€2804,00

i

2

COPERCHIO TAPPO

€7,48

i

3

TAPPO

€4,58

i

4

PERNO MOLLA

€25,32

i

5

GUARNIZIONE

€18,72

i

6

GUARNIZIONE

€32,60

i

7

COLLETTORE DI ASPIRAZIONE

€1022,00

i

9

ADATTATORE

€40,22

i

10

ANELLO-O

€0,66

i

11

VITE FLANGIA

€0,64

i

12

COLONNETTA

€4,62

i

13

DADO FLANGIA

€0,43

i

16

VITE FLANGIA

€3,83

i

17

TURBOCOMPRESSORE

€2947,00

i

17

TURBOCOMPRESSORE, REMAN

€2188,00

i

17

TURBOCOMPRESSORE, REMAN

€2188,00

i

18

VITE CAVA

€10,46

i

19

GUARNIZIONE

€1,38

i

20

NIPPLO A SFERA

€37,41

i

21

RONDELLA

€0,25

i

22

DADO ESAGONALE

€1,60

i

23

TURBO RITORNO OLIO

€384,80

i

24

GUARNIZIONE PIANA

€7,47

i

25

VITE FLANGIA

€2,03

i

26

VITE FLANGIA

€1,62

i

27

MANICOTTO

€89,90

i

28

FASCETTA STRINGITUBO

€2,64

i

30

ANELLO-O

€5,60

i

31

CONNETTORE

€28,43

i

32

COPERCHIO

€51,80

i

33

VITE FLANGIA

€0,80

i

35

FASCETTA A V

€71,90

i

36

GUARNIZIONE

€44,72

i

37

TUBO ALIMENTAZIONE

€364,50

i

38

ANELLO-O

€0,61

i

41

VITE FLANGIA

€0,64

i

42

FLANGIA

€58,30

i

43

GUARNIZIONE PIANA

€6,10

i

44

CONNETTORE

€625,00

i

45

ANELLO-O

€15,30

i

46

VITE FLANGIA

€1,17

i

49

ANELLO-O

€15,60

i

50

COLLEGAMENTO MANICOTTO

€57,20

i