ExcludingTax
IT
Cerca
image/jpeg

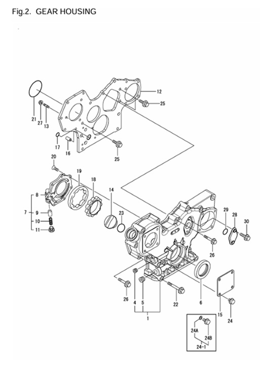
4JH4E (53Hp) 0CR10-M56901-GH GEAR HOUSING

Cerca

Impostazioni di ricerca

Mostra prodotti associati



Disponibile
Ordinabile

ARTICOLO

PREZZO

QT.A

1

COVER, GEAR CASE

€1654,12

i

4

TAPPO

€5,49

i

5

TAPPO DA 1/2

€5,67

i

6

PARAOLIO 4JHE/TE/HTE

€18,12

i

7

COVER ASSY, PUMP

€196,71

i

9

VALVE RELIEF

€20,19

i

10

SPRING

€8,87

i

11

PLUG

€8,57

i

13

STUD M8X25

€2,42

i

14

TAPPO OLIO =K 12416001750

€9,40

i

15

PIATTELLO

€10,81

i

16

PIPE L= 18

€11,11

i

17

ORING

€3,06

i

18

ROTOR, INNER

€82,19

i

19

ROTOR, OUTER

€82,19

i

20

SCREW M6X16

€1,94

i

21

O RING 4JHE/TE/HTE

€4,16

i

22

VITE FISSAGGIO 8 X 85 v.n.

€2,51

i

23

O RING

€3,07

i

24

BULLONE M8x16

€1,66

i

24

BULLONE M8X16

€2,77

i

24

RONDELLA =43400500410

€2,08

i

24

BULLONE M8x16

€1,66

i

25

BULLONE M8x16

€1,66

i

26

BULLONE

€2,51

i

27

DADO

€1,66

i

28

Usare codice: 12102301551

€14,35

i

28

COPERCHIO 12102301550

€21,03

i

29

O RING =K 19408046240

€2,52

i

30

BULLONE M8 X16

€1,66

i