ExcludingTax
IT
Cerca
image/jpeg

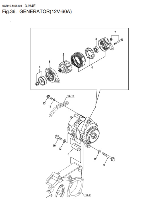
3JH4E 0CR10-M56101-GE GENERATOR (12V-60A)

Cerca

Impostazioni di ricerca

Mostra prodotti associati



Disponibile
Ordinabile

ARTICOLO

PREZZO

QT.A

1

ALTERNATORE 80A.12V. =12947077200

€1059,80

i

3

CUSCINETTO 12961277710

€47,06

i

4

STATORE +REGOLATORE 60 Amp. 12827177720

€1223,20

i

6

PULLEY

€163,29

i

8

Usare codice: 12967077350

€32,30

i

8

CINGHIA 3HM/2GM20/3GM30 - REMF6310 v.n.

€13,58

i

9

Usare codice: 12967077370

€2,21

i

9

BULLONE 10X70 129695-77371

€2,69

i

10

Usare codice: 12967077370

€2,38

i

10

BULLONE 10X30

€4,31

i

12

RONDELLA

€1,14

i

13

BULLONE

€1,93

i